CBFS SERIES
BONGSHIN
,
계측센서
,
로드셀
,
봉신
타입 : 초소형 압축 로드셀
정격용량(R.C.) : 3Kg ~ 1000kg
외형사이즈 : ∅20 / ∅22
정격용량(R.C.) : 3Kg ~ 1000kg
외형사이즈 : ∅20 / ∅22
Product Details
CBFS SERIES 초소형 압축 로드셀 (3Kg ~ 1000kg)
다이아프램 구조의 엘레멘트로 되어진 초소형 로드셀 입니다.협소한 공간의 각종 계측장치에 적용됩니다.
설치 여건에 따라 아래 표준품 이외의 다양한 제품을 주문제작 합니다.
제품사양
| Specifications | CBFS | ||||||||||
| 정격용량(R.C.) | 3, 5, 10kg | 20, 30, 50kg | 100, 200, 300, 500, 1000kg |
||||||||
| 정격출력(R.O.) | 1.0 ± 0.4 | 1.0 ± 0.2 | 1.0 ± 0.01 | ||||||||
| 재질 | 스테인레스 스틸 | ||||||||||
| 비직진성 | ≤0.5% R.O. | ||||||||||
| 히스테리시스 | ≤0.5% R.O. | ||||||||||
| 반복성 | ≤0.5% R.O. | ||||||||||
| 크리이프 | ≤0.5% in 20min. | ||||||||||
| 영점발란스 | ≤1% R.O. | ||||||||||
| 온도보상범위 | -10 ~ 70°C | ||||||||||
| 허용온도범위 | -20 ~ 80°C | ||||||||||
| 출력의 온도영향 | ≤0.4% LOAD/10°C | ||||||||||
| 영점의 온도영향 | ≤0.2% R.O./10°C | ||||||||||
| 입력저항 | 400 Ohms ± 50 Ohms | ||||||||||
| 출력저항 | 350 Ohms ± 5 Ohms | ||||||||||
| 절연저항 | 2000 MOhms at 50V DC | ||||||||||
| 인가전압 | 3-5V(Recommended), 10V(Maximum) | ||||||||||
| 보호등급 | meets IP 65 | ||||||||||
| 허용과부하 | 150% R.C. | ||||||||||
| 극한과부하 | 300% R.C. | ||||||||||
| 연결케이블 | Ø3mmx1.5m (28AWG x 4Core Shielded) | ||||||||||
![]() |
![]() |
![]() |

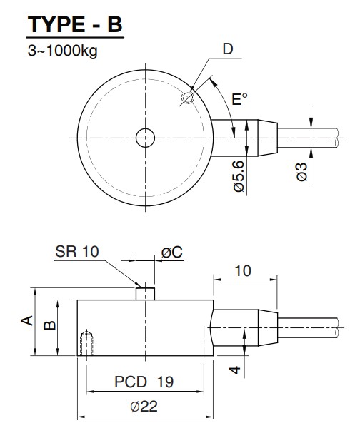
| Capacity | A | B | C | D | E˚ |
| 3~100 kg | 11 | 9 | 3 | 3-M2.5 x 0.45P | 60˚ |
| 200~500 kg | 11 | 10 | 4 | 4-M2.5 x 0.45P | 45˚ |
| 1000 kg | 14 | 13 | 4 | 4-M2.5 x 0.45P | 45˚ |
2020-01-01 00:00:00
조회 20615


