TM SERIES
SUZUKO
,
계측센서
,
토크센서
,
초소형/특수형
측정 범위 : 0.2 ~ 5 mNm
직선성 : ±0.5 ~ ±1%
직선성 : ±0.5 ~ ±1%
카탈로그 메뉴얼 도면
Product Details
초소형 미소 측정 토크 센서(비회전 타입)
TM ・STM SERIES

초소형 / 미소 측정 타입의 토크센서
・동전 크기의 제품으로 공간에 구애 받지 않음
・0.2 ~ 5 mNm의 미소 범위의 토크 측정이 가능
■ Specification
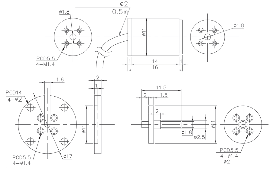
■ Dimension

TM ・STM SERIES

초소형 / 미소 측정 타입의 토크센서
・동전 크기의 제품으로 공간에 구애 받지 않음
・0.2 ~ 5 mNm의 미소 범위의 토크 측정이 가능
■ Specification
| 형식 | 정격 용량 mNm |
정격 출력 mV/V |
직선성 % / 정격 |
저항치 Ω |
분해능 % / 정격 |
인가 전압 V |
| STM-02 | 0.2 | 0.5 | ±1 | 150 | 0.5 | 3 |
| STM-05 | 0.5 | 0.75 | ±1 | 150 | 0.5 | 3 |
| TM-1 | 1 | 0.75 | ±0.5 | 150 | 0.5 | 3 |
| TM-2 | 2 | 0.75 | ±0.5 | 120 | 0.5 | 3 |
| TM-5 | 5 | 0.75 | ±0.5 | 120 | 0.5 | 3 |

2020-01-01 00:00:00
조회 11044