KA 접촉식 회전형 토크센서
한국계측기_센서
,
계측센서
,
토크센서
,
회전 접촉형[Brush]
샤프트 타입의 회전형 비접촉식
회전기기 정적,동적 토크및 RPM측정
모터 볼트 체결력, 감속기등 토크 측정
회전기기 정적,동적 토크및 RPM측정
모터 볼트 체결력, 감속기등 토크 측정
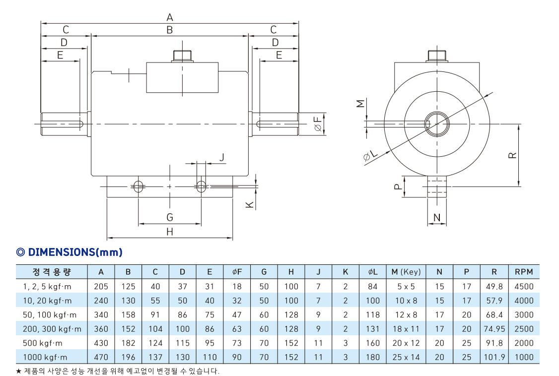
카탈로그 메뉴얼 도면
Product Details
| FEATURE |

· 샤프트 타입의 회전형 비접촉식 디지털 토크센서
· 회전하는 기기의 정적, 동적 토크측정 및 RPM(옵션) 측정
· 모터 부하테스트, 볼트 체결력, 감속기, 자동차 부품등의 토크 측정
· Foot mount & 고용량도 주문제작 가능
| SPECIFICATION |
| 정격용량(R.C.) | 1,2,5,10,20,50,100,200,300,500, 1000 kgf·m |
| 정격출력(R.O.) | 1.3 ± 0.3 mV/V |
| 종합오차 | ≤ 0.25% R.P |
| 반복성 | ≤ 0.25% R.P |
| 크리프(30분) | ≤ 0.25% R.P |
| 제로 밸런스 | 0 ± 0.05 mV/V |
| 입력 단자간 저항 | 352Ω ± 1% |
| 출력 단자간 저항 | 352Ω ± 1% |
| 절연 저항 | > 200MΩ |
| 출력의 온도영향 | ≤ 0.2% LOAD / 10℃ |
| 영점의 온도영향 | ≤ 0.2% R.O. / 10℃ |
| 인가전압 | 5V, 10V DC |
| 허용 과부하 | 150% R.C. |
| 온도 보상범위 | -10 ~ 60℃ |
| 연결 케이블 | φ 5 Shield 5m |
2020-01-01 00:00:00
조회 31115