KNR 비접촉식 회전형 토크센서
한국계측기_센서
,
계측센서
,
토크센서
,
회전 비접촉형[Brushless]
· 샤프트 타입 회전형 비접촉식
· 회전기기 정적, 동적 토크및 RPM측정
· 모터,볼트, 감속기, 자동차 부품등 토크 측정
· 회전기기 정적, 동적 토크및 RPM측정
· 모터,볼트, 감속기, 자동차 부품등 토크 측정
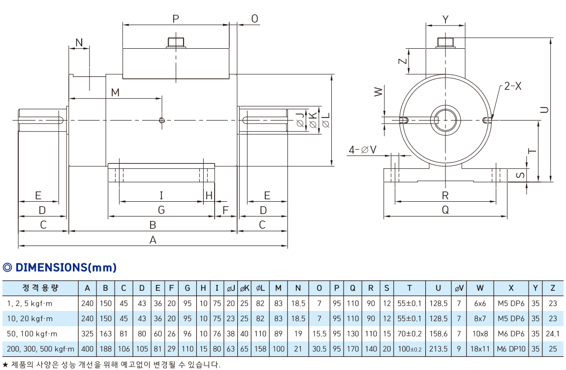
카탈로그 메뉴얼 도면
Product Details
| FEATURE |
· 샤프트 타입의 회전형 비접촉식 디지털 토크센서· 회전하는 기기의 정적, 동적 토크측정 및 RPM(옵션) 측정 (10,000RPM)
· 모터 부하테스트, 볼트 체결력, 감속기, 자동차 부품등의 토크 측정
· Amplifier 내장형으로 mV/V 출력형 센서에 비해 NOISE 영향을 최소화
· 출력 형식은 CAN Digital type 으로 Analog type에 비해 선로 NOISE영향이 적다.
· CARRIER 주파수에 의한 간섭이 없다.(SYNC 불필요)
| SPECIFICATION |
| 정격용량(R.C.) | 1,2,5,10,20,50,100,200,300,500 kgf·m |
| 종합오차 | ≤ 0.2% R.O. |
| 반복성 | ≤ 0.2% R.O. |
| 크리프(30분) | ≤ 0.2% R.O. |
| 제로 밸런스 | ≤ 0.1% F.S. |
| 분해능 | ± 1/30,000 |
| 공급전원 | 12 ~ 28V DC |
| 출력형식 | CAN DIGITAL DATA |
| 출력속도 | 2000회/초 |
| 출력의 온도영향 | ≤ 0.2% LOAD / 10℃ |
| 영점의 온도영향 | ≤ 0.2% R.O. / 10℃ |
| 허용 과부하 | 150% R.C. |
| 온도 보상범위 | 0 ~ 60℃ |
| 연결 케이블 | φ 5 Shield 5m |
2020-01-01 00:00:00
조회 31169