Brand

브랜드소개

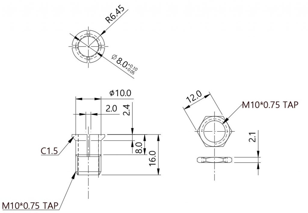
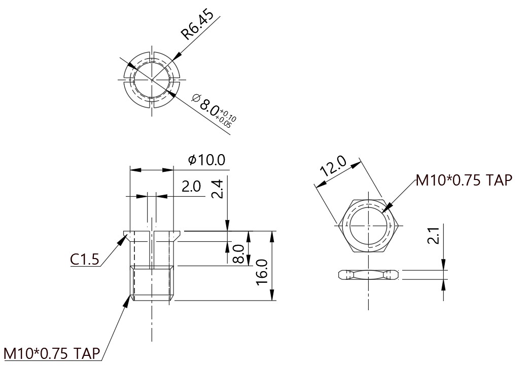
KC-B1 PROBE SENSOR 고정용 브라켓

한국계측기_악세서리 , 측정보조구/장비 , PROBE 고정브라켓
[단종품]  Ø8 센서 고정용 브라켓
프로브 고정용 브라켓
간편한 센서 고정방법!!
카탈로그 메뉴얼 도면
Product Details

KC-B1

LVDT와 Ø8 센서등의 고정용 브라켓MAIN
재질 : SUS303


손쉽고 견고한 고정!
고정시 측면으로 편심 발생 없이 중심으로 고정
고정 PLATE 두께 : 최소 6mm ~ 최대 11mm고정
사용 예)
EX
치수
KC-B1
2020-01-01 00:00:00 조회 20645
error: Content is protected !!