Brand

브랜드소개

AMA TB10 SERIES

MARPOSS , 측정보조구/장비 , 게이지 블럭
용도 : 간접변위측정, 샤프외경측정
샤프트 간접 런아웃 측정등
작동범위 : 1~1.6mm
카탈로그 메뉴얼 도면
Product Details

AMA / TB SERIES

ADVANCED MEASURING ARMSET / TRANSMISSION BASIC DEVICE

사용예)

TB10 APP_01
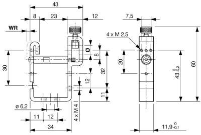
TB10
TB10_400

작동범위 : (WR)1.0mm
Model ORDER CODE
ø 8 mm 2927364005
ø 3/8” 2927364035
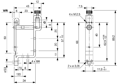
TB10C
TB10C_400

작동범위 : (WR)1.0mm
Model ORDER CODE
ø 8 mm 2927364006
ø 3/8” 2927364036
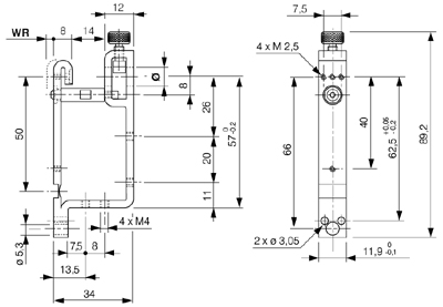
TB16
TB16_400

작동범위 : (WR)1.6mm
Model ORDER CODE
ø 8 mm 2927364003
ø 3/8” 2927364033
TB16C
TB16c_400

작동범위 : (WR)1.6mm
Model ORDER CODE
ø 8 mm 2927364004
ø 3/8” 2927364034
2020-01-01 00:17:00 조회 29579
error: Content is protected !!