AMA TP12 SERIES
MARPOSS
,
측정보조구/장비
,
게이지 블럭
Product Details
AMA TP12 SERIES
ADVANCED MEASURING ARMSET / TP - TRANSMISSION PARALLELOGRAM DEVICE
사용예)

TP12EP
작동범위 : (WR)1.2mm
외경 측정용, 공압 구동
Model ORDER CODE
ø 8 mm : 3024051204
ø 3/8” : 3024051206
TP12IP
작동범위 : (WR)1.2mm
내경 측정용, 공압 구동
Model ORDER CODE
ø 8 mm : 3024051205
ø 3/8” : 3024051207
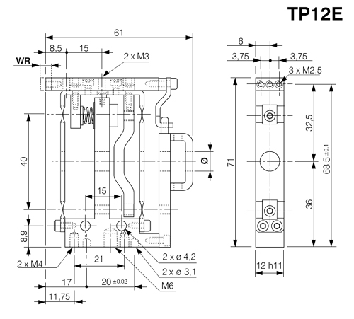
TP12E

작동범위 : (WR)1.2mm
외경 측정용
Model ORDER CODE
ø 8 mm : 2924051200
ø 3/8” : 2924051202
TP12I
작동범위 : (WR)1.2mm
내경 측정용
Model ORDER CODE
ø 8 mm : 2924051201
ø 3/8” : 2924051203
TP12SE

작동범위 : (WR)2.4mm
외경 측정용 , 셀프센터링 유닛
Model ORDER CODE
ø 8 mm : 2924051208
ø 3/8” : 2924051209
TP12SI
Model ORDER CODE
ø 8 mm : 2924051228
ø 3/8” : 2924051229
작동범위 : (WR)2.4mm
내경 측정용 , 셀프센터링 유닛
- 외경 Ø20mm 측정시
셀프센터링 유닛의 구성
• TP12SE (Q.ty 2)
• Slide (Q.ty 2)
• Self-centering kit (Q.ty 1)
• 30 mm extention (Q.ty 1)
SELF-CENTERING KIT

| MODEL | Ø | ORDER CODE |
| TP12 | 8 mm | 2924051210 |
| 3/8” | 2924051213 |

| D | ORDER CODE |
| 10 mm | 1024017105 |
| 15 mm | 1024017106 |
| 20 mm | 1024017107 |
| 25 mm | 1024017108 |
| 30 mm | 1024017109 |
| 70 mm | 1019750093 |
| 80 mm | 1019750122 |
| TP12 | ø (mm) | 0-3 | 3-8 | 8-13 | 13-18 | 18-23 | 23-28 | 28-33 | 33-38 | 38-43 | 43-48 | 48-53 | 53-58 |
| D (mm) | 10 | 15 | 20 | 25 | 30 | 35 | 40 | 45 | 50 | 55 | 60 | 65 |
편심접촉자 적용시 제한범위 / 측정 사양
| MODEL | H(*) (mm) | L(mm) | P(mm) | 반복정밀도 2,77σ (μm) |
감도 (max err. %) |
| TP12 | 30 | 14 | 20 | <0,2 | ± 1,5 |
ACCESSORIES

| 명칭 | 모델 | H(*)MAX(mm) | s | ORDER CODE | |
| SLIDE | TP12 | M2.5 | 20 | 4 | 2924051211 |
| 40 | 6 | 2924051219 | |||
| 4-48 UNF | 20 | 4 | 2924051212 | ||
| 40 | 6 | 2924051220 | |||
| ARMSET | TP12 | M2.5 | (B = 30 mm) | 3192405120 | |
| 4-48 UNF | 3192405123 | ||||
| OFF-SET ARMSET |
M2.5 | (A = 8,5 mm) | 2924017150 | ||
| (A = 10 mm) | 2924017151 | ||||
| 4-48 UNF | (A = 8,5 mm) | 2924017152 | |||
| (A = 10 mm) | 2924017153 | ||||
2020-01-01 00:18:00
조회 31304