IMPAK-02 Series
SANTEST
,
계측센서
,
ETC
,
충격 테스트기
Product Details
충격 테스트기


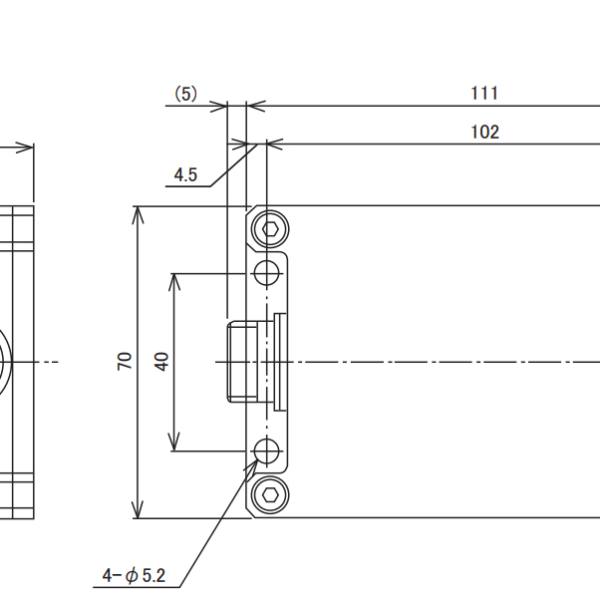
■ Dimension
- 충격 데이터 로거
- 물류 중 발생하는 충격을 상시 측정
| 기록 항목 | X/Y/Z 축 충격치 발생일시 |
| 측정범위 | 16G (타축감도±1%) |
| 검출 임계치 | 0.5G~14.9G (각 축 공통) |
| 경고 임계치 | 검출 임계치 ~14.9G(각 축 독립) |
| 축 | 3축 |
| 기록 데이터 | 100만 |
| 기록 간격 | 1초~60분 8가기 중 선택 |
| 분해능 | 0.1G |
| 정도 | ±0.2G |
| 주파수 특성 | 샘플링 주파수에 의함 |
| 메모리 | 내장 플래시 메모리 |
| PC 인터페이스 | USB Ver 1.1 |
| 배터리수명 | 약 400회 충전 |
| 연속측정시간 | 약 30일 (외부 배터리 연결 가능) |
| 사용온도범위 | -5℃~45℃(결로 불가) |
| 보호등급 | IP63 (비닐 캡 부착 시) |
| IP67 (방수 캠 부착 시)(옵션) | |
| 부속품 | 부속 소프트웨어 ViewPak-02 |
| USB케이블, 비닐커넥터캡 | |
| 무게 | 약 420g |


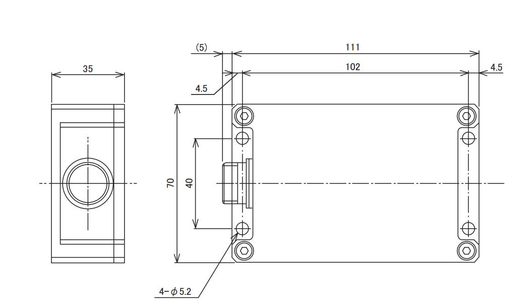
■ Dimension
2020-01-01 00:20:00
조회 100785