DPR/0.5/S SERIES
SOLATRON
,
계측센서
,
접촉식 변위센서
,
디지털_솔라트론
Product Details
DPR/0.5/S SERIES
스프링 구동 타입의 초소형 디지털 프로브로
정확한 분해능, 우수한 선형성 및 높은 데이터 속도와 뛰어난 반복정밀도가 특징입니다.
수명이 긴 정밀 베어링과 IP 65등급은 프로브가 수백만 번의 측정에서도 성능을 그대로 유지하도록 보장합니다.
스프링 구동 타입의 초소형 디지털 프로브로
정확한 분해능, 우수한 선형성 및 높은 데이터 속도와 뛰어난 반복정밀도가 특징입니다.
수명이 긴 정밀 베어링과 IP 65등급은 프로브가 수백만 번의 측정에서도 성능을 그대로 유지하도록 보장합니다.
| Specifications |
| 모델명 | DPR/0.5/S | ||
| 제품종류 | 디지털 Type | ||
| 측정범위(mm) | 0.5 | ||
| 정확도(% of Reading) (Note 1) | 0.05 | ||
| 반복성(Typical)(µm)(Note 2) | 0.05 |
||
| 분해능(µm) | 0.01 | ||
| 측정력(N) | 0.7 | ||
| 보호등급 | IP 65 | ||
| 작업 온도 | +5°C to +80°C | ||
| 저장 온도 | -20°C to +80°C | ||
| 케이블 타입 | PUR | ||
| 읽는 속도 | Up to 3906 readings/second | ||
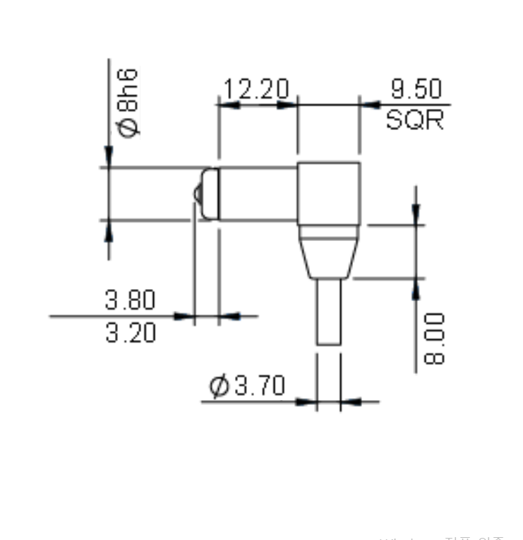
| 치수 | 8h6 | ||
Note 2: Repeated operation against a carbide target standard deviation from average (68%)
| Dimensions |
| DPR/0.5/S | |
![]() |
2020-01-01 00:20:00
조회 535
