AX/0.5/S_AXR/0.5/S SERIES
SOLATRON
,
계측센서
,
접촉식 변위센서
,
LVDT_솔라트론
Product Details
AX/0.5/S_AXR/0.5/S SERIES
스프링 구동 타입의 초소형 아날로그 프로브로
우수한 선형성 및 0.05 µm 반복정밀도가 특징입니다.
수명이 긴 정밀 베어링과 IP 65등급은 프로브가 수백만 번의 측정에서도 성능을 그대로 유지하도록 보장합니다.
스프링 구동 타입의 초소형 아날로그 프로브로
우수한 선형성 및 0.05 µm 반복정밀도가 특징입니다.
수명이 긴 정밀 베어링과 IP 65등급은 프로브가 수백만 번의 측정에서도 성능을 그대로 유지하도록 보장합니다.
| Specifications |
| 모델명 | AX/0.5/S | AXR/0.5/S | |
| 제품종류 | 디지털 Type | ||
| 측정범위 | ±0.5mm | ||
| 선형성(Note 1) | 0.5µm | ||
| 일반적인 반복성(Note 2) | 0.05µm |
||
| 측정력 | 0.7N | ||
| 보호등급 | IP 65 | ||
| 작업 온도 | +5°C to +80°C | ||
| 저장 온도 | -20°C to +80°C | ||
| 케이블 타입 | PUR | ||
| 치수 | 8h6 | ||
Note 2: Repeated operation against a carbide tip standard deviation from average (68%)
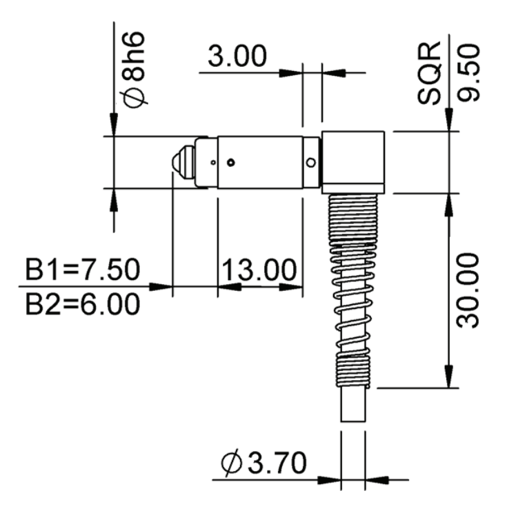
| Dimensions |
| AX/0.5/S | AXR/0.5/S |
![]() |
![]() |
2020-01-01 00:19:00
조회 516

