Digital Block Guage
SOLATRON
,
측정보조구/장비
,
게이지 블럭
측정범위 : 2, 5, and 10 mm
다수의 포로브 팁 옵션
공압식 가능
구경 혹은 구멍 측정 가능
다수의 포로브 팁 옵션
공압식 가능
구경 혹은 구멍 측정 가능
Product Details
Digital Block Guage DK
블록 게이지는 내경과 작은 구멍의 정밀 측정을 간단하고 신뢰도 높게 만듭니다.
일반적으로, 이러한 장치의 사용은 1자형 프로브가 사용이 불가능한 곳이나 장소가 제한된 곳에 권장되고 있습니다.
2mm 블록 게이지의 폭은 8mm에 불과합니다. 블록 게이지는 월등한 내구성, 정확도 및 반복 정밀도가 특징입니다.
3가지 측정 범위 (2,5,10mm) 모두 다양하게 사용될 수 있고 정밀한 게이지 적용에 필요한 적용방식과 데이터를 제공합니다.
블록 게이지는 최소한의 간격을 사용하는 견고한 정밀 선형 베어링을 갖추고 있어 측정되지 않은 움직임을 제한하여
접점 팁이 중앙에 장착되어 있어도 반복성이 우수합니다.
- 0.5mm, 1mm 및 2mm 측정 범위
- 최소 폭 4mm(0.5mm 거리)
- 1µm보다 우수한 정밀도
- 0.05µm 반복정밀도
- 공압 또는 스프링 구동(공압은 1mm와 2mm만)
- 쉬운 수리를 위한 탈착 가능한 리프
- IP65 보호
블록 게이지는 내경과 작은 구멍의 정밀 측정을 간단하고 신뢰도 높게 만듭니다.
일반적으로, 이러한 장치의 사용은 1자형 프로브가 사용이 불가능한 곳이나 장소가 제한된 곳에 권장되고 있습니다.
2mm 블록 게이지의 폭은 8mm에 불과합니다. 블록 게이지는 월등한 내구성, 정확도 및 반복 정밀도가 특징입니다.
3가지 측정 범위 (2,5,10mm) 모두 다양하게 사용될 수 있고 정밀한 게이지 적용에 필요한 적용방식과 데이터를 제공합니다.
블록 게이지는 최소한의 간격을 사용하는 견고한 정밀 선형 베어링을 갖추고 있어 측정되지 않은 움직임을 제한하여
접점 팁이 중앙에 장착되어 있어도 반복성이 우수합니다.
- 0.5mm, 1mm 및 2mm 측정 범위
- 최소 폭 4mm(0.5mm 거리)
- 1µm보다 우수한 정밀도
- 0.05µm 반복정밀도
- 공압 또는 스프링 구동(공압은 1mm와 2mm만)
- 쉬운 수리를 위한 탈착 가능한 리프
- IP65 보호
| 사용 예 | |||
![]() |
![]() |
||
| - 블록 게이지 공압 키트는 구성 요소의 자동 로딩을 가능하게 함. - 팁 힘을 제어하기 위해 스프링과 결합된 공압 작동은 반복 가능한 측정 결과를 보장. |
- 오프셋 팁을 사용한 측정은 모든 장치에서 가능함. - 따라서 게이지의 설치 공간을 줄이기 위해 프레임을 따라 조정할 수 있음. |
||
![]() |
![]() |
![]() |
|
| - 5mm 및 10mm 블록 게이지에는 공업용 툴 홀더가 장착되어 있어, 이를 통해 게이지가 단단하면서도 쉽게 조정할 수 있음. - 팁 캐리어는 모든 표준 팁을 수용하는 M2.5 피팅을 갖추고 있음. - 크기 때문에 2mm게이지는 손쉬운 조작과 측정이 가능하도록 제작된 조정 시스템을 갖추고 있음. |
- 필요한 만큼 많은 블록 게이지를 서로 가깝게 배치할 수 있음. - 컴팩트한 구성과 중심선을 측정하는 기능은 타이트하게 묶여진 포르브들을 측정시에 매우 유용하게 사용할 수 있음. |
- 블록 게이지를 어떤 자세로든 사용할 수 있도록 다양한 스프링을 사용할 수 있음. - IP65 보호는 더러운 작업 환경에서도 게이지의 수명을 연장하는 데 도움이 됨. |
|
| Specifications |
| BLOCK GAUGES | |||
| Axial Cable Outlet | DK/2 | DK/5 | DK/10 |
| Radial Cable Outlet | DKR/2 | DKR/5 | DKR/10 |
| Product Body Width (mm) | 8 | 12 | 12 |
| 측정 범위(mm) | 2 | 5 | 10 |
| 정확도 %FSO | 0.05 |
0.05 | 0.08 |
| 반복성 (µm) | <0.25 | <0.25 | <0.5 |
| 해상도(µm) | 0.01 | 0.02 | 0.04 |
| Pre Travel (mm) | 0.15 | 0.15 | 0.15 |
| Post Travel (mm) (Min) | 0.85 | 0.85 | 0.85 |
| Spring Push | 1.5 | 1.5 | 1.5 |
| 온도 계수 %FS/°C | 0.2 | 0.5 | 1 |
| 보호 등급 | IP 65 | ||
| 프로브 인터페이스 보호 등급 | IP43 for module and TCON | ||
| 작업 온도 | +5°C to +80°C | ||
| 저장 온도 | -20°C to +80°C | ||
| EMC 배기가스 |
EN61000-6-3 | ||
| EMC 면역성 | EN61000-6-2 | ||
| Block Gauge Body 재질 | Stainless Steel | ||
| Probe Tip (options) | Nylon, Ruby, Silicon Nitride, Tungsten Carbide | ||
| Gaiter | Fluroelastomer or Silicon | ||
| Cable | PUR | ||
| Electronics Module | ABS | ||
| Orbit® Interface Options | USB, Ethernet®, RS232, RS485 | ||
| Reading Rate | 3906 readings per second | ||
| 전자기기(Hz) 사용자 선택 가능 대역폭 | 460, 230, 115, 58, 29, 14, 7,4 | ||
| Power | 5±0.25 VDC @ 0.06A 표준 | ||
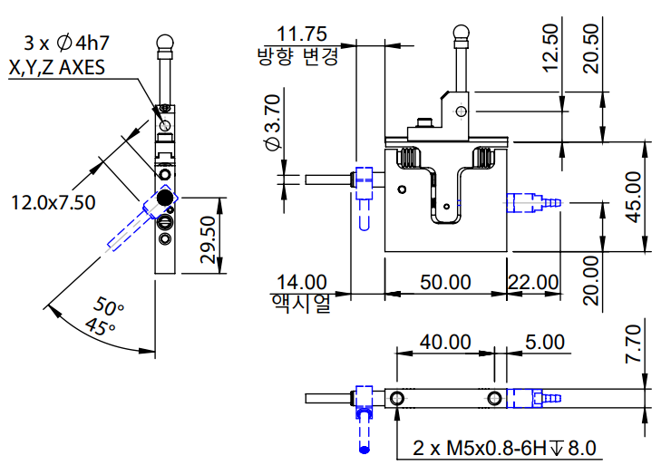
| Dimensions |
| Block Gauge (DK(R)/2/S(P)) | |
![]() |
|
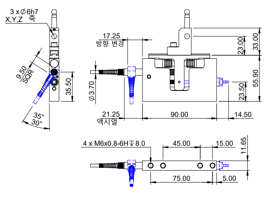
| Robust Block Gauge (DK(R)/5/S(P)) | |
![]() |
|
| Robust Block Gauge (DK(R)/10/S(P)) | |
![]() |
|
| Spring and Pneumatic Configurations | |
|
| Block Gauge and Flexure Accessories | ||
TIP표준 M2.5 thread Tip carriers 4MMØ, 길이 20,30,40mm (모두) 선택 가능. 6MMØ, 길이 20,30,40mm 중 선택 가능(5 및 10mm 블록 게이지만 해당) Tool holders 4mm 보어(모두) 6mm (5mm 및 10mm 블록게이지만 해당) |
Pneumatic actuator블록 게이지와 플렉셔 게이지는 공압 액추에이터 없이 기본으로 제공됩니다. 별도로 주문해 주세요. |
Alternative Springs |
2020-01-01 00:04:00
조회 24267









