Digital Flexure
SOLATRON
,
측정보조구/장비
,
게이지 블럭
정확도 : < 1µm (0.00004 in)
반복성 : 0.05µm (0.000010 in)
측정범위 : 0.5 to 1, 2 mm
모니터링 가능한 측정
반복성 : 0.05µm (0.000010 in)
측정범위 : 0.5 to 1, 2 mm
모니터링 가능한 측정
연결 가능한 인디게이터
Product Details
Digital Flexure DU
높은 해상도와 뛰어난 반복성을 통해 솔라트론의 Flexure는 빠른속도로 정밀한 측정을 이끌어 나가고 있습니다.
슬라이드 이동 부품이 없는 Flexure는 수백만 회의 사이클 동안 성능을 유지하고, 히스테리시스가 거의 없습니다.
Flexure는 자동 라인에서 힘이 거의 가해지지 않거나 없는 방식으로 고정할 수 있고,
이를 통해 회전 샤프트, 브레이크 디스크 등의 이동 재료에 대한 정밀 프로파일링이 가능해집니다.
0.05µm 이상의 분해능을 가지고 초당 3906회 읽는 속도로써 Digital Flexure는 최고의 해결책을 제시합니다.

- 0.5mm, 1mm 및 2mm 측정 범위
- 최소 폭 4mm(0.5mm 거리)
- 1µm보다 우수한 정밀도
- 0.05µm 반복정밀도
- 공압 또는 스프링 구동(공압은 1mm와 2mm만)
- 쉬운 수리를 위한 탈착 가능한 리프
- IP65 보호
Single Leaf Flexures DUS
Parallel Flexure 와 비슷한 수행력을 지닌 Single Leaf Flexure는 게이지 빌더가 더 많은 측정 포인트를 잡을 수 있도록 설계 되었습니다.
연장된 Arms을 잘 사용하면, 기기 내부 슬롯에서, 기존의 연필형 프로브가 잡지 못하던 측정을 잡아낼 수 있습니다.
- 0.5mm 측정 범위
- 스프링 구동
- 정상 또는 역방향 동작
- 연장 arms
- IP65 보호
높은 해상도와 뛰어난 반복성을 통해 솔라트론의 Flexure는 빠른속도로 정밀한 측정을 이끌어 나가고 있습니다.
슬라이드 이동 부품이 없는 Flexure는 수백만 회의 사이클 동안 성능을 유지하고, 히스테리시스가 거의 없습니다.
Flexure는 자동 라인에서 힘이 거의 가해지지 않거나 없는 방식으로 고정할 수 있고,
이를 통해 회전 샤프트, 브레이크 디스크 등의 이동 재료에 대한 정밀 프로파일링이 가능해집니다.
0.05µm 이상의 분해능을 가지고 초당 3906회 읽는 속도로써 Digital Flexure는 최고의 해결책을 제시합니다.

- 0.5mm, 1mm 및 2mm 측정 범위
- 최소 폭 4mm(0.5mm 거리)
- 1µm보다 우수한 정밀도
- 0.05µm 반복정밀도
- 공압 또는 스프링 구동(공압은 1mm와 2mm만)
- 쉬운 수리를 위한 탈착 가능한 리프
- IP65 보호
| 적용예 | ||
| Rod Diameter | Bearing Check | Connecting Rod |
![]() |
![]() |
![]() |
Parallel Flexure 와 비슷한 수행력을 지닌 Single Leaf Flexure는 게이지 빌더가 더 많은 측정 포인트를 잡을 수 있도록 설계 되었습니다.
연장된 Arms을 잘 사용하면, 기기 내부 슬롯에서, 기존의 연필형 프로브가 잡지 못하던 측정을 잡아낼 수 있습니다.
- 0.5mm 측정 범위- 스프링 구동
- 정상 또는 역방향 동작
- 연장 arms
- IP65 보호
| Specifications |
| Parallel Flexures | Single Flexure | |||
| Product Body Width (mm) | 4 | 8 | 6 | |
| Axial Cable Outlet | DU/0.5/S | DU/1/S | DU/2/S | DUS/0.5/S |
| Radial Cable Outlet | DUR/1/S | DUR/2/S | ||
| 측정 범위(mm) | 0.5 | 1 | 2 | 0.5 |
| 정확도 %FSO | 0.1 |
|||
| 반복성 (µm) | <0.1 | |||
| 해상도(µm) | 0.01 | |||
| Pre Travel (mm) | 0.03 to 0.06 | 0.05 to 0.1 | 0.05 to 0.1 | 0.02 to 0.03 |
| Post Travel (mm) (Min) | 0.29 | 0.4 | 0.4 | 0.05 to 0.1 |
| Spring Push | 0.5 | 1.5 | 1.5 | 1.25 |
| Pneumatic at 2 bar |
N/A | 1 | 1 | N/A |
| 온도 계수 %FS/°C | 0.5 | |||
| 보호 등급 | IP 65 | |||
| 프로브 인터페이스 보호 등급 | IP43 for module and TCON | |||
| 작업 온도 | +5°C to +80°C | |||
| 저장 온도 | -20°C to +80°C | |||
| EMC 배기가스 |
EN61000-6-3 | |||
| EMC 면역성 | EN61000-6-2 | |||
| Block Gauge Body 재질 | Stainless Steel | |||
| Probe Tip (options) | Nylon, Ruby, Silicon Nitride, Tungsten Carbide | |||
| Gaiter | Fluroelastomer | |||
| Cable | PUR | |||
| Electronics Module | ABS | |||
| Orbit® Interface Options | MODBUS®TCP/IP, Bluetooth, Ethernet/IP, EtherCat, Profinet | |||
| Reading Rate | 3906 readings per second | |||
| 전자기기(Hz) 사용자 선택 가능 대역폭 | 460, 230, 115, 58, 29, 14, 7,4 | |||
| Power | 5±0.25 VDC @ 0.06A 표준 | |||
| Dimensions |
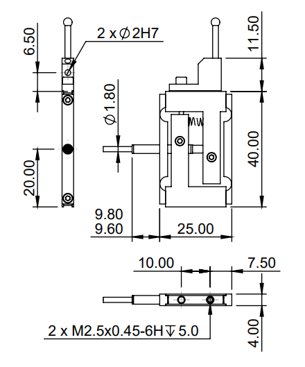
| DU/0.5/S | DUS/0.5/S |
![]() |
![]() |
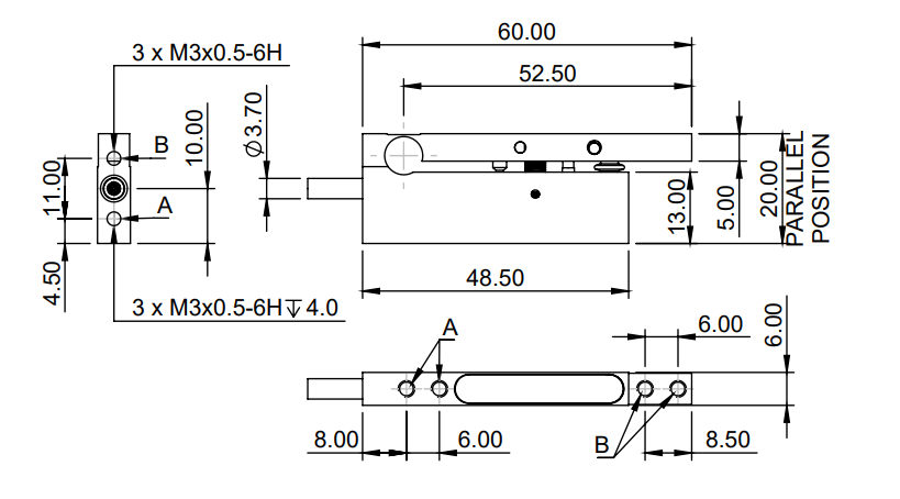
| DU(R)/1/S(P) | |
![]() |
|
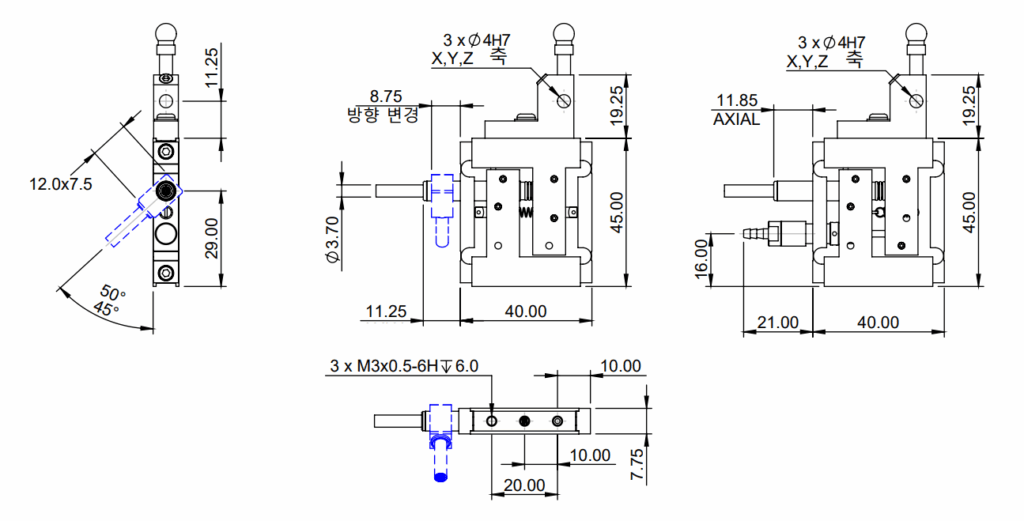
| DU(R)/2/S(P) | |
|
|
| Block Gauge and Flexure Accessories | ||
TIP표준 M2.5 thread Tip carriers 4MMØ, 길이 20,30,40mm (모두) 선택 가능. 6MMØ, 길이 20,30,40mm 중 선택 가능(5 및 10mm 블록 게이지만 해당) Tool holders 4mm 보어(모두) 6mm (5mm 및 10mm 블록게이지만 해당) |
Pneumatic actuator블록 게이지와 플렉셔 게이지는 공압 액추에이터 없이 기본으로 제공됩니다. 별도로 주문해 주세요. |
Alternative Springs |
2020-01-01 00:05:00
조회 19947







