Digital Mini Probe
SOLATRON
,
계측센서
,
접촉식 변위센서
,
디지털 변위센서
정확도 : < 1µm (0.00004 in)
반복성 : 0.05µm (0.000010 in)
측정범위 : 0.5 to 1 mm.
한 개의 네트워크로 다수의 센서 연결가능
반복성 : 0.05µm (0.000010 in)
측정범위 : 0.5 to 1 mm.
한 개의 네트워크로 다수의 센서 연결가능
연결 가능한 인디게이터
Product Details
Digital Mini Probe DM SERIES
Mini probe는 구경과 같은 제한된 공간을 측정하는 이상적인 소형 측정기 입니다.
장기간동안 훌량한 반복성을 보장하는 Parallel 스프링 구조를 기반으로 합니다.
심지어 구경에서 회전하면서 측정할때도 반복성은 유지됩니다.
텅스텐 물질의 접촉팁이 기본으로 쓰이지만, 사용자 맞춤에 따라 M2 Thread로 이어지는 다양한 팁을 통해 기호에 맞춘 특별한 측정방식에 이용가능합니다
반복성은 cross axis 혹은 axis에 따라 (Mini probe의 배치) 달라집니다.

Mini probe는 구경과 같은 제한된 공간을 측정하는 이상적인 소형 측정기 입니다.
장기간동안 훌량한 반복성을 보장하는 Parallel 스프링 구조를 기반으로 합니다.
심지어 구경에서 회전하면서 측정할때도 반복성은 유지됩니다.
텅스텐 물질의 접촉팁이 기본으로 쓰이지만, 사용자 맞춤에 따라 M2 Thread로 이어지는 다양한 팁을 통해 기호에 맞춘 특별한 측정방식에 이용가능합니다
반복성은 cross axis 혹은 axis에 따라 (Mini probe의 배치) 달라집니다.

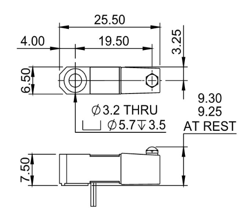
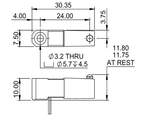
| SPRING PUSH | DM/0.5/S | DM/1/S | ||
| TYPE | 디지털 Type | |||
| 측정 범위(mm) | ±0.5 | ±1 | ||
| 선형성 %FSO | 0.05 |
|||
| 반복성 (µm) | On Axis | Cross Axis | On Axis | Cross Axis |
| Range: 0-100 µm nominal | 0.1 | 0.1 | 0.1 | 0.1 |
| Range: 100-250 µm nominal | 0.25 | 0.15 | 0.1 | 0.1 |
| Range: 250-500 µm nominal | 0.5 | 0.25 | 0.15 | 0.15 |
| Range: 500-1000 µm nominal | N/A | N/A | 0.3 | 0.2 |
| 해상도(µm) | 0.01 | 0.01 | ||
| Pre Travel (mm) | 0.01 to 0.02 | 0.015 to 0.025 | ||
| Post Travel (mm) (Min) | 0.07 | 0.07 | ||
| Spring Push | 0.85 | 0.85 | ||
| 온도 계수 %FS/°C | 0.08 | 0.8 | ||
| 보호 등급 | IP 60 | |||
| 프로브 인터페이스 보호 등급 | IP43 for module and TCON | |||
| 작업 온도 | +5°C to +80°C | |||
| 저장 온도 | -20°C to +80°C | |||
| Shock | 과도한 충격을 받지 않도록 설치 및 조정 시 지침을 따릅니다 | |||
| Probe Tip (options) | Nylon, Ruby, Silicon Nitride, Tungsten Carbide | |||
| Gaiter | Fluroelastomer | |||
| Cable | PUR | |||
| Electronics Module | ABS | |||
| Orbit® Interface Options | MODBUS®TCP/IP, Bluetooth, Ethernet/IP, EtherCat, Profinet | |||
| Reading Rate | 3906 readings per second | |||
| 전자기기(Hz) 사용자 선택 가능 대역폭 | 460, 230, 115, 58, 29, 14, 7,4 | |||
| Power | 5±0.25 VDC @ 0.06A 표준 | |||
| Dimensions |
| DM/0.5/S | DM/1/S |
![]() |
![]() |
2020-01-01 00:05:00
조회 20552

