X-ZL11 장력로드셀
XJC
,
계측센서
,
로드셀
,
텐션로드셀
Product Details
X-ZL11 시리즈 플랜지형 텐션센서
- 조심 베어링 내장
- 조심 베어링의 간단하고 편리한설치
- 다양한 종류의 베어링 내경 적용
- 과부하 방지 보호구조 내장
- 온도 편차가 적고 선형 오차와 반복성이 좋음
- M12X1 콘넥터
생성된 힘의 합력을 정확하게 감지할수 있습니다. 센서는 조심 베어링이 내장 되어있어 설치에 의한
기계적 오차를 보상 할수 있습니다.
베어링 분해는 간단하고 조작이 용이하며 선택할수 있는 다양한 베어링 내경이 있습니다.
센서의 설치는 표준설치와 플랜지 설치의 두가지 설치방법중 선택할수 있습니다.
| 사양 |
| 출력 신호 | 1.5±0.003mV/V | 비선형성 | 0.3% F.S. |
| 반복성 | 0.15%F.S. | 영점 출력 | ±2% F.S. |
| 사용 온도 범위 | -20 ~ 80°C | 온도 보상 범위 | -10 ~ 40°C |
| 영점 온도 변화 | 0.02% F.S/°C | 절연 저항 | ≥2000MΩ/100VDC |
| 인가 전압 | 5~10V DC | 최대 과부하 | 300%F.S |
| 케이블 사양 | Ø5 x 5m | 보호 등급 | IP63 |
| 설치방법 |

| 하중계산 |

* T - 장력 α - 소재 각도 ( 30˚≤α≤180˚ ) F - 센서 부하 방향 P - 롤러자중 β - F와 P의 각도
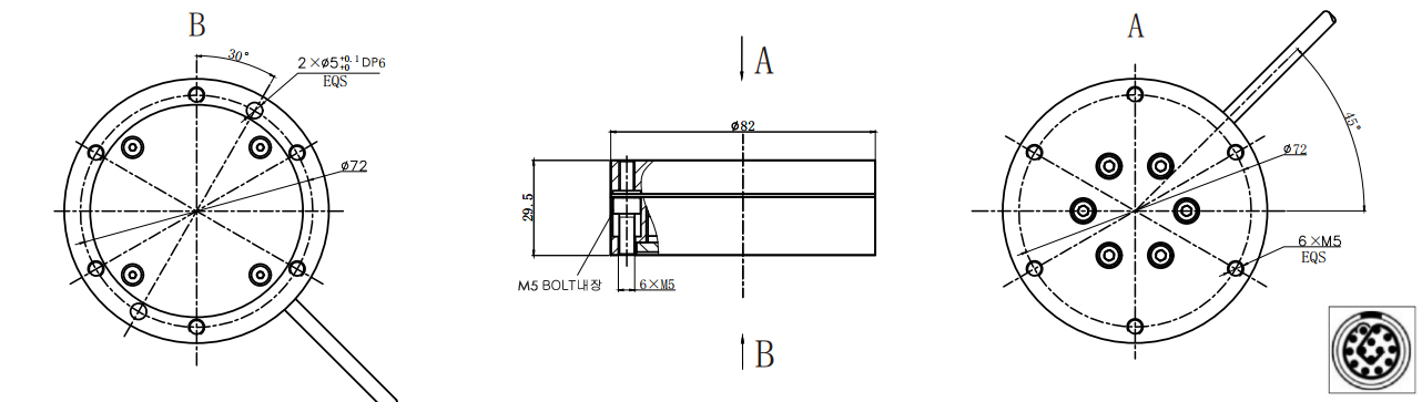
| 외형치수 |

| 모델코드표 |

| 모델명 | 최대하중(kg) | 외형치수 | |||||
| A | B | C | D | E | F | ||
| X-ZL11-□-BZ-15-6 | 5, 15, 25, 50, 100 | 74 | 15 | 33 | 35 | 11 | 3 |
| X-ZL11-□-BZ-17-6 | 74 | 17 | 36 | 40 | 12 | 3 | |
| X-ZL11-□-BZ-20-6 | 77 | 20 | 42 | 47 | 14 | 3 | |
| X-ZL11-□-BZ-25-6 | 77 | 25 | 45 | 52 | 15 | 3 | |
| X-ZL11-□-FL-15-6 | 5, 15, 25, 50, 100 | 74 | 15 | 33 | 35 | 11 | 3 |
| X-ZL11-□-FL-17-6 | 74 | 17 | 36 | 40 | 12 | 3 | |
| X-ZL11-□-FL-20-6 | 77 | 20 | 42 | 47 | 14 | 3 | |
| X-ZL11-□-FL-25-6 | 77 | 25 | 45 | 52 | 15 | 3 | |
2020-01-01 00:14:00
조회 10386