X-ST-98B 비회전형 토크센서
XJC
,
계측센서
,
토크센서
,
비회전형
용량 : 0~500N.m
비회전형 토크센서
스트레인게이지 방식
비회전형 토크센서
스트레인게이지 방식
Product Details
비회전형 토크센서
*제품의 사양은 성능개선을 위해 예고없이 변결되 수 있습니다.
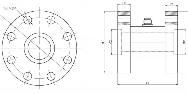
■ Dimension
- 스트레인게이지 방식
- 양방향 플랜지 타입으로 간편한 설치
| 정격용량(R.C.) | 0~500N.m |
| 정격출력 (R.O.) | 1.0~2.0mV/V |
| 비직진성(R.O.) | 0.2% F.S |
| 히스테리시스 | ±0.1%F.S |
| 반복성 | 0.1% F.S |
| 영점발란스 | ±2% F.S |
| 입력저항 | 700Ω ±10/350±10 |
| 출력저항 | 700Ω ±5/350±5 |
| 온도범위 | -20 to +80℃ |
| 인가전압 | 12V DC |
| 허용과부하 | 120% R.C |
| 케이블길이 | 3m |
| 결선도 | EXC+: Red
EXC-: Green SIG+: Yellow SIG-: White |
■ Dimension
2020-01-01 00:01:00
조회 10120