X-ST32-H24-A 토크센서
XJC
,
계측센서
,
토크센서
,
비회전형
용량 : 0.5N.m, 1N.m
비회전형토크센서
스트레인게이지 방식
비회전형토크센서
스트레인게이지 방식
Product Details
정적 토크센서(비회전 타입)
*제품의 사양은 성능개선을 위해 예고없이 변경될 수있습니다.
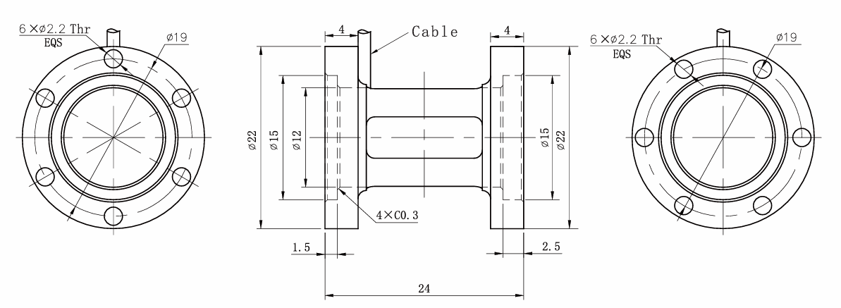
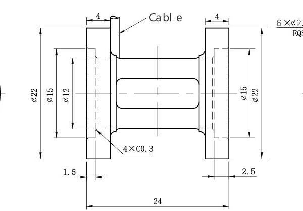
■ Dimension

- 저항기는 민감한 부품과 직접 회로로 구성되어 직접 제작

- 설치 및 사용이 쉽고 정적 토크 측정이 가능
- 양쪽 끝이 플랜지 연결
- 높은 정밀도, 안정적이고 신뢰할 수 있는 성능, 중간 및 낮은 범위의 토크 측정
| 정격용량 | 0.5Nm,1N.m | 재료 | 알루미늄 합금 |
| 비선형 | 0.2%FS | 정격출력 | 0.5 - 2.5mV/V |
| 작동전압 | 5-10VDC | 최대작동전압 | 10VDC |
| 보호등급 | IP54 | 온도 보상 범위 | -10~40℃ |
| 히스테리시스 | 0.2% FS | 작동 온도 범위 | -20~80℃ |
| 반복성 | 0.2% FS | 절연저항 | ≥5000MΩ/100VDC |
| 입력임피던스 | 350±10Ω | 출력 임피던스 | 350±10Ω |
| CREEP(30분) | 0.2% FS | 출력에 대한온도영향 | 0.5%FS/10℃ |
| 제로 출력 | ±2%FS | 온도가제로에미치는영향 | 0.5%FS/10℃ |
| 허용 과부하 | 150%FS | ||
| 케이블 사이즈 | Φ2x200m | 수명 | 전 범위 100만회 이상 |
| 케이블 연결 | EXC+: Red , EXC-: Black, SIG+: Green, SIG-: White | ||
■ Dimension

2020-01-01 00:05:00
조회 1310