F25/FR25 SERIES
MARPOSS
,
계측센서
,
접촉식 변위센서
,
LVDT_마르포스
Product Details
RedCrwon은 펜슬 프로브 제품군으로 어플리케이션에 최고의 측정 성능 제공
Specification
| 제품종류 | RedCrown | |||
| HBT | Lvdt | |||
| 기본형 | 일자타입 | 90도타입 | 일자타입 | 90도타입 |
| 스프링 | H25 | HR25 | F25 | FR25 |
| 실린더 | HPA25 | HP25 | FPA25 | FP25 |
| 진공형 | HVA25 | HV25 | FVA25 | FV25 |
| 실린더 진공형 | - | - | - | - |
| 사양 | RedCrown | |
| 정확도 (um) | 25 | |
| 반복성 (μm) | 0.15 | |
| 측정거리 (mm) | 5 | |
| 작동거리 (mm) | 6,6 | |
| 외경치수Ø (mm) | 8 | |
| 케이블길이 (m) | 2 | |
| 작동온도 (℃) | -10 ~ 65 | |
| 보관온도 (℃) | -20 ~ 100 | |
| 보호등급 | IP65 | |
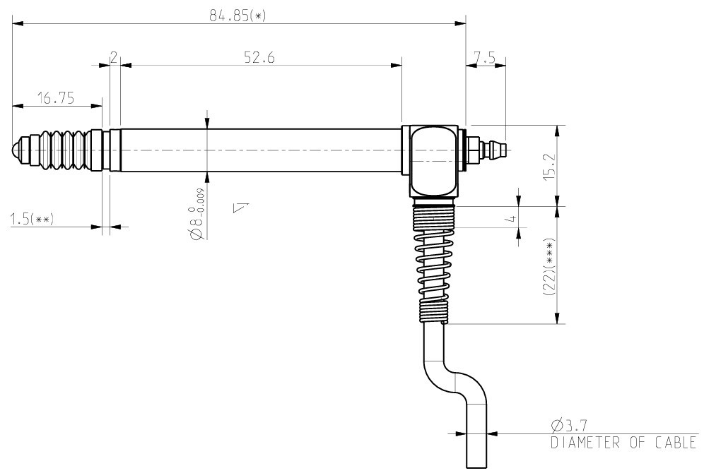
Dimensions
| F25 | FR25 |
![]() |
![]() |
| FPA25 | FP25 |
![]() |
![]() |
2019-11-30 00:17:00
조회 18903



