DP SERIES Amplifier
한국계측기_장비
,
계측장비
,
신호 변환기
,
로드셀/토크/변위용
Product Details
HBT DC Amplifier[신호증폭기]
• HBT 센서용 신호 증폭기• ±15V or 24V DC 입력 / 0~5V DC or 4-20mA 출력
• 저렴한 가격, 소형 경량으로 설치가 용이
• 현장사용이 편리
사용예)

상세사양
| Model | AMP100-A1 | AMP100-B1 | AMP100-B3 |
| 적용센서 | HBT 변위센서 DP SERIES | ||
| 정격 출력 | 0-5V DC | 4-20mA | |
| 출력 GAIN | DP-S4 / DP-10 / DP-25 | ||
| 1.25mV / um | 0.5mV / um | 0.312mV / um | |
| 응답 주파수 | 5Khz / 10Khz | ||
| 비직진성 | < 0.1% FS | ||
| 사용온도 | 0℃ ~ 40℃ | ||
| 사용 전원 | ±15V DC | 24V DC | |
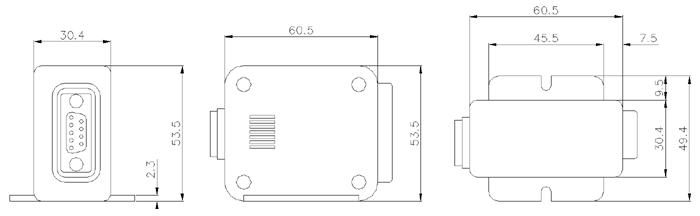
| 콘넥터 사양 | 센서 입력 : DIN5PIN , 전원입력 및 신호출력 : D-SUB 9PIN | ||
| MODEL | AMP100-A1 | AMP100-B1 | AMP100-B3 |
| 사양 | 입력 : ±15V , 0V 출력 : 0-5V |
입력 : 24V 출력 : 0-5V |
입력 : 24V 출력 : 4~20mA |
| PIN 1 | EXC- : -15V DC / 1W input. | ||
| PIN 2 | |||
| PIN 3 | 0V (GND, COM) | SIG- : 0V (GND) | SIG- : 0V (GND) |
| PIN 4 | EXC+ : +15V DC / 1W input. | ||
| PIN 5 | |||
| PIN 6 | SIG+ : Output(0~5V) | SIG+ : Output(0~5V) | |
| PIN 7 | SIG+ Output(4~20mA) | ||
| PIN 8 | EXC- : 0V (GND) | EXC- : 0V (GND) | |
| PIN 9 | EXC+ : +24V | EXC+ : +24V |
사이즈
2020-01-01 00:00:00
조회 38098