X-ZL05 텐션로드셀
XJC
,
계측센서
,
로드셀
,
텐션로드셀
Product Details
X-ZL05 시리즈 텐션센서
외팔보타입 설치구조
- 롤 소재의 위치에 영향을 받지않고 정밀 측정가능
- 낮은 장력의 경우에도 정확한 측정이 가능
- 과부하 방지 보호구조 내장
- 온도 편차가 적고 선형 오차와 반복성이 좋음
- SLIM사이즈로 설치용이
- M12 X 1 콘텍터
X-ZL05 시리즈 텐션 센서는 외팔보 롤러 설치 장비를 위해 설계된 것으로,
고객은 별도의 롤러 설계 없이 롤러 샤프트를 텐션 센서에 장착만 하면 장력을 측정할 수 있습니다.
종이, 라벨, 테잎, 배터리 극판, 소성능 필름 등 폭이 좁은 재료의 가공시 재료의 장력을
측정 및 제어에 사용 가능하며, 이 센서의 검출 신호는 롤 소재의 위치에 영향을 받지 않습니다.
| 사양 |
| 출력신호 | 1.0±0.1mV/V | 비선형성 | 0.2% F.S. |
| 반복성 | 0.1% F.S. | 영점출력 | ±2% F.S. |
| 사용 온도 범위 | -20 ~ 80℃ | 온도 보상 범위 | -10 ~ 40℃ |
| 영점 온도 변화 | 0.02% F.S /℃ | 절연저항 | ≥2000MΩ/1000VDC |
| 인가전압 | 5~10V DC | 최대 과부하 | 300%F.S. |
| 케이블사양 | Ø5 X 5m | 보호등급 | IP54 |
| 설치 예) |

| 하중계산 |

F = 2T X cos(α/2) + G * T - 장력 α - 소재 각도 ( 30˚≤α≤180˚ ) F - 센서하중 G - 롤러자중
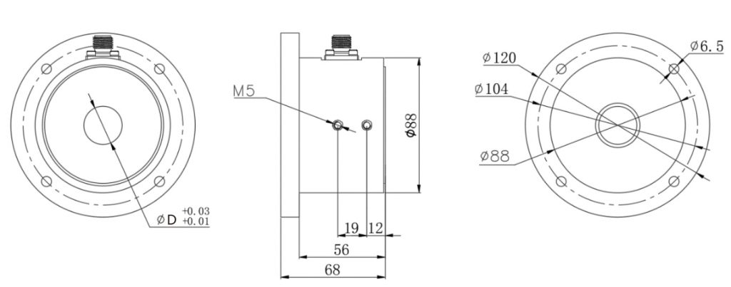
| 외형치수 |

| 모델코드표 |

| 모델명 | 최대하중(kg) | 외형치수(D) (+0.03, -0.01) |
| X-ZL05-B-2.5-15 | 2.5 | 15 |
| X-ZL05-B-5-15 | 5 | 15 |
| X-ZL05-B-10-25 | 10 | 25 |
| X-ZL05-B-15-25 | 15 | 25 |
| X-ZL05-B-25-25 | 25 | 25 |
| X-ZL05-B-50-25 | 50 | 25 |
2020-01-01 00:20:00
조회 16545