X-C01-10
XJC
,
계측센서
,
로드셀
,
원형압축로드셀
Product Details
소형 로드셀
*제품의 사양은 성능 개선을 위해 예고 없이 변경 될 수 있습니다
| 사양 |
| 측정범위 | 3kg,5kg,10kg,20kg, 30kg,50kg,100kg | 재질 | 스테인레스 |
| 비선형 | 0.5% F.S. | 정격출력 | 0.5-2.0mV/V |
| 작동전압 | 5 VDC | 최대작동전압 | 10 VDC |
| 보호등급 | IP64 | 보상온도범위 | -10~40℃ |
| 히스테리시스 | 0.5% F.S. | 작동온도범위 | -20~80℃ |
| 반복성 | 0.2% F.S. | 절연저항 | ≥5000MΩ/100VDC |
| 입력임피던스 | 350±10Ω(1000±100Ω) | 출력임피던스 | 350±10Ω(1000±100Ω) |
| CREEP(30분) | 0.1% F.S. | 출력에대한온도영향 | 0.5%F.S./10℃ |
| 영점출력 | ±2 F.S. | 온도가제로에미치는영향 | 0.5%F.S./10℃ |
| 허용과부하 | 150% F.S. | ||
| 케이블사이즈 | Ø1.2-Ø2x4m | 수명 | 전 범위 100만회 이상 |
| 케이블연결 | EXC+: Red , EXC-: Black, SIG+: Green, SIG-: White | ||
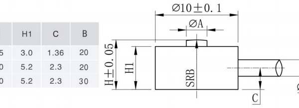
| 외형도 |
| Model | Capacity | ØA | H | H1 | C | B |
| X-C01-10-H3.5 | 3-50kg | 1.6 | 3.5 | 3.0 | 1.2 | 20 |
| X-C01-10-H6 | 3-100kg | 1.6 | 6.0 | 5.2 | 2.3 | 20 |
| 2.2 | 6.0 | 5.2 | 2.3 | 30 |
2020-01-01 00:17:00
조회 9186
