X-DT-2001
XJC
,
계측센서
,
토크센서
,
회전 비접촉형[Brushless]
Product Details
컴팩트 타입 토크센서(비접촉식 회전형)
*제품의 사양은 성능 개선을 위해 예고 없이 변경 될 수 있습니다.


- 명확한 기능, 다양한 통신 방식 지원
- 정·역 토크 신호 출력
- 비접촉 구조, 마모 없음
- 최대 5000r/min까지 맞춤 가능
- 높은 비틀림 강성과 강력한 과부하 보호 능력
- 저항 스트레인 방식의 높은 정밀도
- 자체 보상형 스트레인 게이지로 우수한 온도 특성
- 높은 샘플링 주파수, 빠른 응답성, 강력한 전자파 간섭 방지 능력
| 사양 |
| 출력 신호 | (M-)-10V-0-10V (M+)/RS485 |
최대 회전 속도 | 5000r/min |
| 비선형 | ≤0.2% F.S. | 반복성 | ≤0.1% F.S. |
| 영점 출력 | ±2% F.S. | 작동 온도 범위 | -20~60℃ |
| 보상 온도 범위 | -10~40℃ | 절연 저항 | ≥2000MΩ/50VDC |
| 작동 전압 | 24 VDC | 허용 과부하 | 200% R.C |
| 출력에 대한 온도 영향 | ≤0.2% F.S./10℃ | 온도가 제로에 미치는 영향 | ≤0.2% F.S./10℃ |
| 케이블 사이즈 | Ø5x4m, Ø4x2m(0.05-2N.m) | 보호 등급 | IP64 |
| 케이블 연결 | 24V+: red, 24V-: black, 아날로그 출력+: green/RS485+:blue, 아날로그 출력-: white/RS485-:yellow, Reset: brown |
||
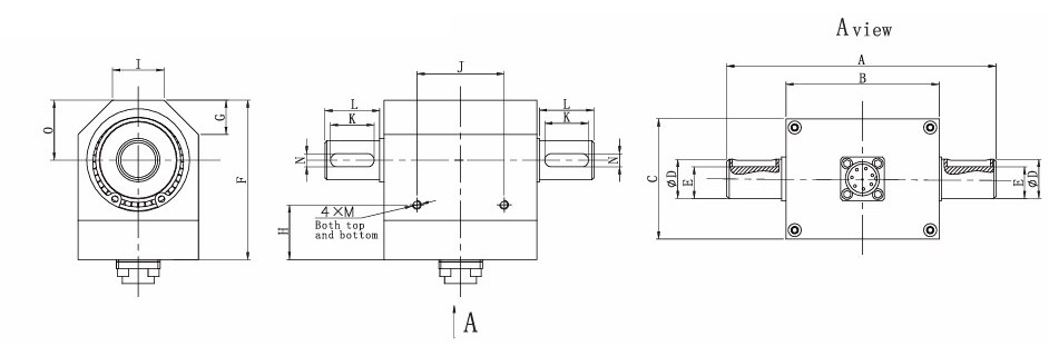
| 외형도 |

| Capacity | A | B | C | D | E | F | G | H | I | J | K | L | M | N | O |
| 0.05 - 0.2 N.m | 75 | 54 | 40 | 5 | / | 50 | / | 18 | / | 30 | / | 10.5 | M3 | / | 18.5 |
| 0.5 - 2 N.m | 84 | 54 | 40 | 8 | / | 50 | / | 18 | / | 30 | / | 15 | M3 | / | 18.5 |
| 5 - 100 N.m | 123 | 70 | 55 | 18 | 14.5 | 73 | 15.7 | 48 | 23.6 | 40 | 20 | 25 | M4 | 6 | 27.5 |
2020-01-01 00:00:00
조회 1664