DT/S_DTR/S SERIES
SOLATRON
,
계측센서
,
접촉식 변위센서
,
디지털_솔라트론
Product Details
DT/S_DTR/S SERIES
스프링 구동 타입의 저압력 디지털 프로브로
자동차 앞유리, 약병, 전자기계부품 및 플라스틱 부품과 같은 섬세한 표면을 측정하기에 적합하게 설계되었습니다.
기존 변위센서의 팁 압력이 약 0.7N인것에 반해 저압력 변위센서는 수평위치에서 사용할때 0.18N의 힘만 가해집니다.
공기 흐름의 양이 적음에도 불구하고 베어링의 불순물을 지속적으로 제거하므로 먼지가 쌓이는 것을 방지합니다.
스프링 구동 타입의 저압력 디지털 프로브로
자동차 앞유리, 약병, 전자기계부품 및 플라스틱 부품과 같은 섬세한 표면을 측정하기에 적합하게 설계되었습니다.
기존 변위센서의 팁 압력이 약 0.7N인것에 반해 저압력 변위센서는 수평위치에서 사용할때 0.18N의 힘만 가해집니다.
공기 흐름의 양이 적음에도 불구하고 베어링의 불순물을 지속적으로 제거하므로 먼지가 쌓이는 것을 방지합니다.
| Specifications |
| 모델명
|
DT/2/S | DT/5/S | DT/10/S | DT/20/S |
| DTR/2/S | DTR/5/S | DTR/10/S | DTR/20/S | |
| 제품종류 | 디지털 Type | |||
| 측정범위(mm) | 2 | 5 | 10 | 20 |
| 정확도 (% of Reading) (Note 1) | 0.05 | 0.05 | 0.06 | 0.07 |
| 반복성 (typical) (µm) (Note 3) |
0.05 |
0.05 | 0.06 | 0.07 |
| 분해능(µm) | 0.01 | 0.02 | 0.04 | 0.08 |
| 측정력(N) | 0.18 | |||
| 보호등급 | IP 50 | |||
| 작업 온도 | -10°C to +80°C | |||
| 저장 온도 | -20°C to +80°C | |||
| 케이블 타입 | PUR | |||
| 읽는 속도 | Up to 3906 readings/second | |||
| 치수 | 8h6 | |||
Note 2: Repeated operation against a carbide target standard deviation from average (68%)
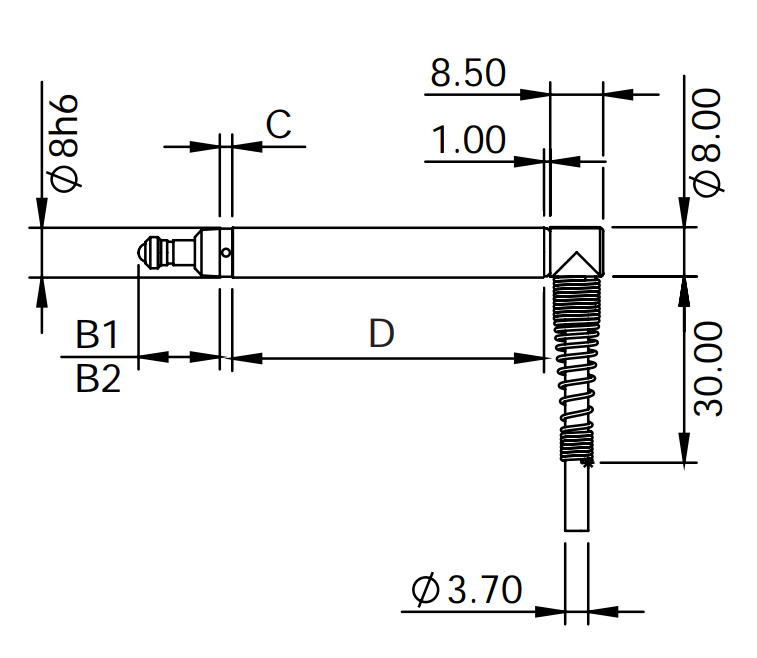
| Dimensions |
| DT/S TYPE | DTR/S TYPE |
![]() |
![]() |
| DT/2/S_DTR/2/S | DT/5/S_DTR/5/S | DT/10/S_DTR/10/S | DT/20/S_DTR/20/S | |
| A | 47.50 | 66.50 | 90.50 | 127.00 |
| C | 2.00 | 2.00 | 2.00 | 3.00 |
| B1 | 14.25 | 18.00 | 25.50 | 34.00 |
| B2 | 11.25 | 12.00 | 14.50 | 13.00 |
| D | 33.50 | 52.50 | 76.50 | 113.50 |
2020-01-01 00:06:00
조회 728

