DK10 SERIES
MAGNESCALE
,
계측센서
,
접촉식 변위센서
,
디지털_마그네스케일
Product Details
DK10 Series
내환경성이 뛰어난 기계 측정용 디지털 게이지
DK SERIES의 출력별 연결 구성도

제품사양
| 주요 사양 | ||||
| 모델명 | DK10NR5 | DK10PR5 | DK10PLR5 | |
| 출력 | A / B / Z 상 전압 차동 라인 출력 (EIA - 422 규격) | |||
| 최소 분해능 | 0.5 μm | |||
| 측정 범위 | 10mm | |||
| 정확도 ( at 20 ° C ) | 2 μm | |||
| 측정 힘 ( at 20 ℃ ) | 위 방향 | 0.3 ± 0.25 N | 4.9 N 이하 | |
| 가로 방향 | 0.6 ± 0.3 N | 4.9 N 이하 | ||
| 아래 방향 | 0.8 ± 0.35 N | 4.9 N 이하 | ||
| 원점 | 1 개소 ( 스핀들 이동 1 mm 위치 ) | |||
| 최대 응답 속도 | 250 m / min | |||
| Vibration resistance (10 ~ 2000 Hz) | 150 m / s2 | |||
| Impact resistance (11 ms) | 1500 m / s2 | |||
| 보호 등급 | IP50 | IP64 | ||
| 사용 온도 범위 | 0 ° C ~ 50 ° C | |||
| 저장 온도 범위 | 20 ° C ~ 60 ° C | |||
| 전원 전압 | DC +5 V ± 5 % | |||
| 소비 전력 | 1 W 이하 | |||
| 케이블 길이 | 2.5 m | |||
| 외경 치수 | φ20 (0 ~ -0.013) mm | |||
| 무게 ※ 2 | 약 230 g | |||
| 측정 Tip | 초경 볼팁 DZ - 122 (설치 나사 M2.5) | |||
| 출력 케이블 길이 (후속 전자 부까지) | 22 m max. | |||
| 부속품 | + PM4 x 5 나사 (2 개), 취급 설명서 | |||
자세한 내용은 해당 설명서를 참조하십시오.
※ 2 무게는 케이블 부 및 interpolation BOX를 제외한 값이다.
제품 개선을 위해 예고없이 변경될 수 있으므로 최신 스펙에서 기능 및 성능을 확인하시기 바랍니다.
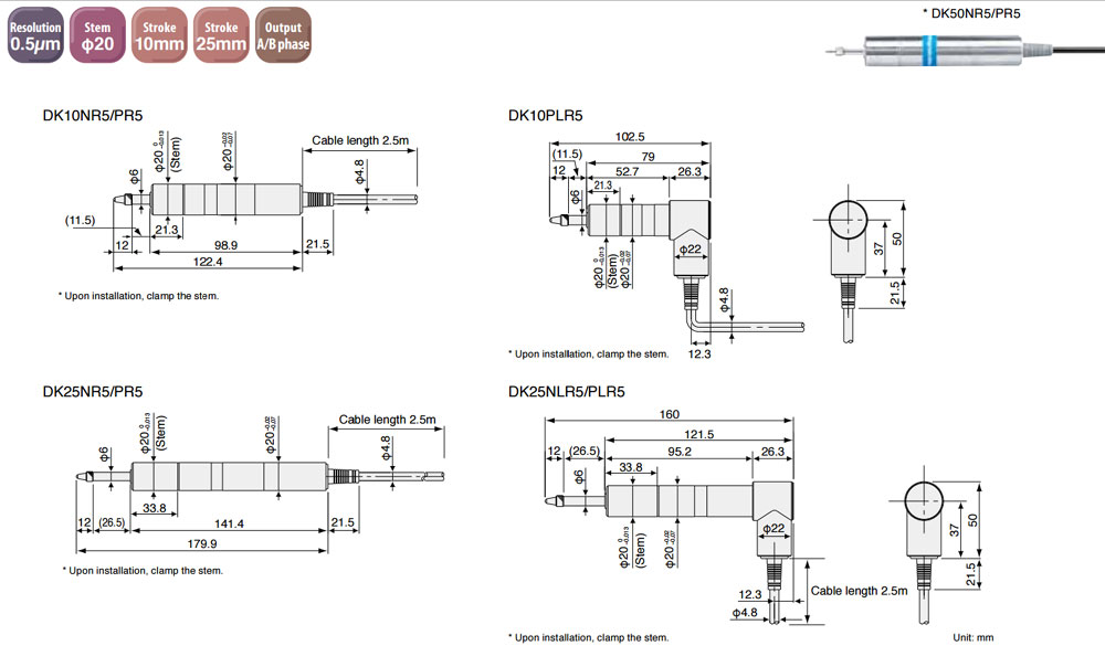
Dimensions
2020-01-01 00:14:00
조회 24465