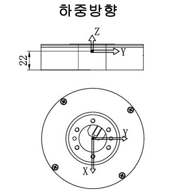
X-6A-D118-H31-B
다축 F/T 센서
,
6축 F/T 센서
6축 로드셀
Fx : 200N~1000N
Mz : 5N.m~20N.m
Fx : 200N~1000N
Mz : 5N.m~20N.m
Product Details
다축로드셀/6축로드셀
- 빠른 응답성

- 스트레인게이지 방식을 적용, 고정밀
- 자가보상 스트레인게이지를 사용, 온도 특성이 좋음
- 구조적 분리 구조를 적용하여 장기적 누적 오차가 적음
- 사이즈와 용량은 주문 제작이 가능
| 사양 |
| 비선형성 | ≤0.5%F.S. | 반복성 | ≤0.05%F.S. |
| 제로밸런스 | ±5%F.S. | 작동 온도 범위 | -20~80°C |
| 보상 온도 범위 | -10~40°C | 절연 저항 | ≥2000MΩ/50VDC |
| 인가전압 | 5-10 VDC | 최대 과부하 | 300%F.S. |
| 출력 온도 변화 | ≤0.1%F.S./10°C | 영점 온도 변화 | ≤0.1%F.S./10°C |
| 축의 누적 오차 | ≤3%F.S. | 보호 등급 | IP65 |
| 케이블 | Ø4.5x0.5m+Ø4.5x2.5+14PIN Plug | ||
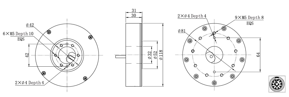
| 외형도 |

| Capacity | Fx | Fy | Fz | Mx | My | Mz | Material |
| 200N | 200N | 200N | 5N.m | 5N.m | 5N.m | Stainless steel |
|
| 500N | 500N | 500N | 10N.m | 10N.m | 10N.m | ||
| 1000N | 1000N | 1000N | 20N.m | 20N.m | 20N.m | Aluminum alloy | |
| Rated output | 0.3-1.0mV/V | ||||||
| Pin assigment | PIN 1 | Exc+ Red | |
| PIN 2 | Exc- Black | ||
| PIN 3 | Fx+ Yellow | PIN 5 | Fy+ Blue |
| PIN 4 | Fx- Black | PIN 6 | Fy- Black |
| PIN 7 | Fz+ White | PIN 9 | Mx+ Yellow |
| PIN 8 | Fz- Black | PIN 10 | Mx- Brown |
| PIN 11 | My+ Blue | PIN 13 | Mz+ White |
| PIN 12 | My- Brown | PIN 14 | Mz- Brown |
2025-01-17 00:44:38
조회 143